开云体育

人工智能领域

开云体育-开云(中国)

开云体育-开云(中国)

选型热线:

13001738973(王工)

15866635707(王工)

0531-88601217

网址:suzupaoguanji.com 

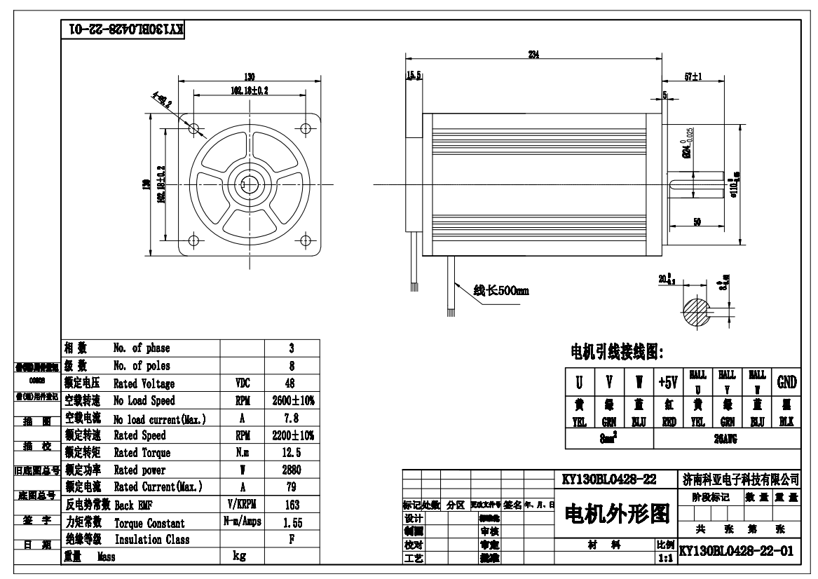
深圳直流无刷电机130系列 48V 2880W 2200RPM

您的当前位置: 首 页 >> 产品中心 >> 深圳直流无刷电机

深圳直流无刷电机130系列 48V 2880W 2200RPM

详细介绍

130.jpg

KY130BL0428-22.png

●电机型号:KY130BL0428-22

●额定电压:48V

●额定功率:2880W

●额定转速:2200PM

●额定转矩:12.5N.m

●额定电流:79A


本文网址://suzupaoguanji.com/product/705.html

关键词:直流无刷电机,无刷电机

最近浏览: