开云体育

人工智能领域

开云体育-开云(中国)

开云体育-开云(中国)

选型热线:

13001738973(王工)

15866635707(王工)

0531-88601217

网址:suzupaoguanji.com 

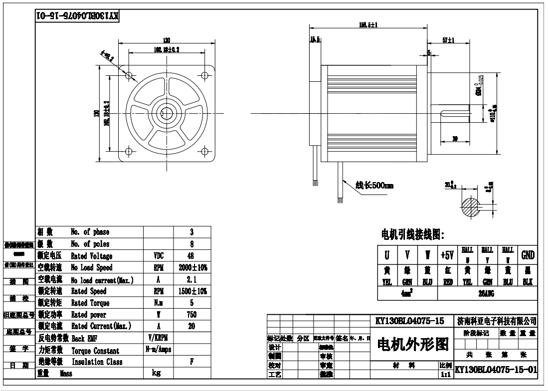
河南直流无刷电机130系列 48V 750W 1500RPM

您的当前位置: 首 页 >> 产品中心 >> 河南直流无刷电机

河南直流无刷电机130系列 48V 750W 1500RPM

详细介绍

130.jpg

KY130BL04075-15.png

电机型号及参数:

●电机型号:KY130BL04075-15

●额定电压:48V

●额定功率:750W

●额定转速:1500PM

●额定转矩:5N.m

●额定电流:20A


本文网址://suzupaoguanji.com/product/708.html

关键词:直流无刷电机,无刷电机

最近浏览: