15866635707
电流传感器是伺服控制必不可少的一部分,小功率系统可采用霍尔电流传感器。通过ADC将模拟信号转换成数字信号,然后参于数字伺服控制。本文主要介绍一款集成型霍尔电流传感器MLX91210在伺服系统中的应用要点及案例分析。
伺服系统
伺服系统(servomechanism)又称随动系统,是用来精确地跟随或复现某个过程的反馈控制系统。伺服系统使物体的位置、方位、状态等输出被控量能够跟随输入目标(或给定值)的任意变化的自动控制系统。伺服系统由控制模块,传感器,伺服电机组成;传感器有编码器,及电流传感器。电流传感器辅助编码器做位置检测,具有非常重要的作用,电流传感器选择得好与坏,直接影响到伺服系统的性能。
MLX91210应用要点
世强代理的Melexis电流传感器MLX91210应用在伺服系统中的要点,有以下几点,灵敏度、应用电路及RC电路匹配等。
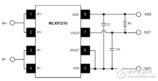
MLX91210的灵敏度有80、40、32mV/A三个选择,测量的电流分别为±25A、±50A、±62.5A。MLX91210灵敏度与竞争对手产品的灵敏度没有完全相同的,如果是作为替代产品,需要考虑灵敏率,在软件算法中,换算电流时需要设置相应的灵敏度倍数,电流传感器MLX91210用三种应用电路分别如下图1、图2、图3所示。C1电容推荐100nF,C1的作用是增强EMC、ESD性能;C2电容推荐大小为10nF,C2作为去耦电容增强EMC及ESD性能,同样必不可少。

图1:MLX91210下拉诊断推荐电路
图2:MLX91210上拉诊断推荐电路
图3:MLX91210带RC滤波推荐电路
伺服系统对信号的纹波要求较高,在伺服系统中,我们推荐图3所示的应用电路进行设计。用户对纹波的要求不同,需要匹配合适的RC电路,来满足纹波要求,同时需要考虑用户对带宽的要求。
实例分析
世强市场经理余彪介绍,做伺服驱动器客户很多,有的客户原系统电流检测用其他品牌的电流传感器,现在直接替换上我们的电流传感器MLX91210过程中,遇到了一个问题,就是客户的伺服系统上电启动时,系统会出现错误报警,上电启动瞬间系统没有通过自检。首先我们排除灵敏度、基本原理图不匹配等因素,然后检测了电流传感器的纹波,发现相对客户理想的纹波电流传感器的纹波偏大。如图4所示,黄色曲线是客户设计电路中电流传感器MLX91210的输出纹波,蓝色曲线是系统要求的电流传感器输出纹波。电流传感器的输出纹波,还达不到理想的输出波形。
电流传感器的输出纹波过大,通过检查发现,是因为客户的后端电路RC取值不匹配引起的纹波过大,客户的RC电路如图5所示。
通过修改电容C的值,把220pF增大到1nF时,信号纹波已基本达到理想的纹波要求,系统上电能通过自检,运用稳定可靠。伺服驱动器检测电流信号对带宽的要求是,带宽需要5K以上,系统不同要求也不一样。修改RC电路后,带宽大约能做到16K左右,带宽也满足伺服系统要求。